Что делать при нехватке мощностей
В Москве и Московской области проблема дефицита мощности стоит очень остро.
Хорошо это или нет, но монополия по увеличению мощностей принадлежит только Энергонадзору или его дочерним учреждениям. В связи с этим цены на подключение дополнительных мощностей баснословные. За 1 кВт - 30000 руб.
А если нужно добавить 10кВт - продавать машину?
К счастью есть способ, как усмирить аппетит Энергосбыта и не пользоваться его "услугой".
Увеличить входную энергию в 2 или в 3 раза можно всего за 15 - 20 тысяч рублей.
"Закон Ома не обманешь - надо менять провода, а сам на столб не полезешь..."- скажите Вы.
На самом деле закон Ома жестко связывает величины тока, напряжения, сопротивления и мощности.
Но не энергии!!!
Как это понимать? А так, что энергия это величина, зависящая еще и от времени. Что если работу нагрузок в Вашем доме разнести по времени - не включать одновременно?
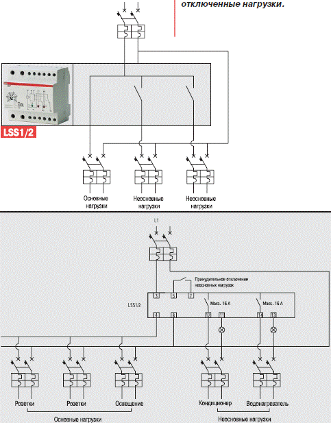
Для организации такого режима существует специальный прибор - реле управления нагрузками.

Данный аппарат производит замеры потребляемой мощности в реальном режиме времени. Когда наступает перегрузка, он автоматически отключает часть нагрузок (потребители 3-ей категории).
При повторной перегрузке, - отключает еще часть нагрузок (потребители 2-ой категории). При этом потребители 1-ой категории работают всегда.
На практике это выглядит так: Вы включили чайник - аппарат временно отключил теплые полы и бойлер; Вы включили еще и плиту - аппарат отключил один из тэнов котла отопления.
Обратно нагрузки включаются аккуратно, через 5-7 минут после спада потребляемой мощности.
В качестве потребителей 2-ой и 3-ей категории выбирают инерционные устройства. Например, пока греется чайник или разогревается микроволновка, теплый пол остыть не успеет. Так же при активном поведении жильцов никто не заметит, что отопление стало греть меньше, да и жидкость в радиаторах остынет не сразу.
Реле управления нагрузками выпускают почти все ведущие производители. Они надежны и долговечны. Вот только подключать их лучше квалифицированным специалистам. Иногда в комплекте с реле приходится устанавливать мощные контакторы.
Ваши расходы на установку такой системы:
реле управления нагрузками -
контакторы -
услуги специалиста:
Аппарат рассчитан на ток 90А (20 кВт). Это означает, что при его работе, Вы можете получить тройную мощность до 60кВт: потребители 3-ей категории + потребители 2-ой категории + 1-я категория.
Например, имея входную мощность 5 кВт, Вы увеличиваете возможность потребления до 15кВт. А если реальная входная мощность 11кВт - до 33кВт и т.д.
Негативные стороны такой системы: при слабом вводном оборудовании при обратном включении нагрузок 2-ой и 3-ей категории наблюдается кратковременное притухание освещения. Вообще, это не сильно заметно.