Энерголидер

О компании

Каталог

Услуги

Прайсы

Статьи

Форум

Downloads

Контакты

Каталог продукции

  • ЗАЗЕМЛЕНИЕ
  • Стабилизаторы напряжения
  • Электростанции
  • Автоматика (АВР)
  • Стабилизаторы фаз
  • ИБП, бесперебойник
  • Защита от скачков напряжения
  • Мотопомпы
  • Аккумуляторы
  • Тяговые аккумуляторы
  • Длинноволновые обогреватели
  • Терморегуляторы
  • Электрощитовые
  • Молниезащита
  • Двигатели

Услуги

  • Доставка
  • Монтаж
  • Монтаж заземления
  • Энергоаудит
  • Сервис
  • Фотогалерея
  • ВЫЗОВ СПЕЦИАЛИСТА
  • Аренда генераторов
  • Ремонт стабилизаторов напряжения

Рубрикатор статей

  • Все статьи
  • Источники питания
  • Альтернативная энергетика
  • Справочник
  • Молниезащита
  • Заземление

 

РУЧНЫЕ ПЕРЕКЛЮЧАТЕЛИ ВВОДА для подключения электрогенератора / Генераторы(электростанции) / Источники питания / Статьи / Главная

Купить ручной ввод резерва 

Переключатель SS
Коммутационные устройства EVESYS служат для включения, выключения, переключения и сигнализации в электрических цепях контроля,переключатель I-O-II сигнализации, учета и т.п. Выключатели имеют возможность пломбирования, как в выключенном положении, так и во включенном. 
Особенности:
→ переключатели одномодульного исполнения (18 мм.),
→ расстояние между контактами переключателей в выключенном положении составляет 3 мм,
→ переключатели оснащены окошком для маркировки.
Технические характеристики:
Номинальное напряжение UN 230/400V AC, 24V DC
Номинальный ток IN 16 A, 25 A
Номинальная частота fN 50/60 Hz
Сечение подключаемых проводников 1,5-6 мм2
Соответствие стандартам PN-IEC 60947-3, PN-EN 60947-5-1
Рабочее положение произвольное
Тип

In(A)

Полюс

SS 116

16

1р

SS 216

16

2р

SS 125

25

1р

SS 225

25

2р


Переключатели кулачковые 1-0-2 ELK

→ силовые контакты покрыты серебром AgCdO,
→ высокие диэлектрические свойства изоляционного материала,
→ высокий механический и электрический ресурс,
→ высокая устойчивость к кратковременным перегрузкам,
→ высокая динамическая устойчивость к токам короткого замыкания при защите предохранителем,
→ рабочая температура: от -25oC до +55oC,
→ рабочая частота: до 10kHz
Применение - Переключатели кулачковые типа ELK предназначены для ручной коммутации цепей низкого напряжения. Применяются для создания главных и управляющих цепей, включения и выключения электродвигателей, трансформаторов и других электрических устройств небольшой мощности.

Тип(полюс)

In(A)

«1-0-2»ELK 16 1p

16

«1-0-2»ELK 25 1p

25

«1-0-2»ELK 32 1p

32

«1-0-2»ELK 40 1p

40

«1-0-2»ELK 63 1p

63

«1-0-2»ELK 16 3p

16

«1-0-2»ELK 25 3p

25

«1-0-2»ELK 32 3p

32

«1-0-2»ELK 40 3p

40

«1-0-2»ELK 63 3p

63

 


Переключатели LAS CO

→ небольшие габаритные размеры,
→ модульная конструкция с возможность монтажа на монтажную панель и шину TH-35,
→ сдвоенная конструкция контактной группы с сигнализацией состояния,
→ высокий механический и электрический ресурс,
→ степень защиты переключателя IP20,
→ степень защиты дверной рукоятки IP65.
→ возможность блокировки дверной рукоятки в положении 0.

Применение - Переключатели типа LAS CO применяются в распределительных устройствах и электрических шкафах для переключения цепей низкого напряжения с номинальным рабочим током до 125 А. Могут применяться как переключатели для ручного ввода резерва.

Тип

In(A)

Переключатель нагрузки LAS 25A 3p COP

25

Переключатель нагрузки LAS 32A 3p COP

32

Переключатель нагрузки LAS 40A 3p COP

40

Переключатель нагрузки LAS 63A 3p CO

63

Переключатель нагрузки LAS 80A 3p CO

80

Переключатель нагрузки LAS 100A 3p CO

100

Переключатель нагрузки LAS 125A 3p CO

125

 


 

Схема включения однофазного генератора в однофазную сеть с переключателем SS 1P и ELK 1P:

 

 

Схема включения однофазного генератора в трехфазную сеть с переключателем ELK 3P и LAS CO:

 

 

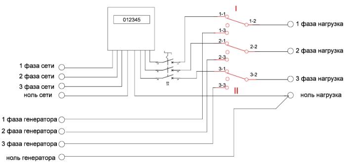
Схема включения трехфазного генератора в трехфазную сеть ELK 3P и LAS CO:

 

Контактная информация

г.Киев, бул. Чоколовский,27Б
тел.: (044)-228-68-09
тел.: (066) 731-11-88
тел.:(093) 212-27-51
E-mail: info@energolider.com.ua
energolider-kiev

 

Лучшие предложения

 

Источник бесперебойного питания NB-T601 (LCD)

3500 грн

Добавить товар в корзину

Купить

 

Аккумуляторная батарея 12V100AH

5000 грн

Добавить товар в корзину

Купить

 

Бензиновый генератор Honda GP6500L-GEE/1 АВТОЗАПУСК

0 грн

Добавить товар в корзину

Купить

 

Стабилизатор напряжения Phantom VN-600F

2009 грн

Добавить товар в корзину

Купить

 

Volter СНПТО- 7 ПТТ

0 грн

Добавить товар в корзину

Купить

 

Защита от перенапряжения ZUBR D340t

 

НОНС NORMIC-5500 однофазный симисторный стабилизатор напряжения

9600 грн

Добавить товар в корзину

Купить

 

GENERAC 5837

Украина, г.Киев
бул. Чоколовский,27Б
бул. Чоколовский,27Б
тел.: (044)-228-68-09
E-mail: info@energolider.com.ua

2009-2012 © Энерголидер

Разработка сайтов – «Oznaka»